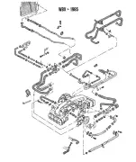
Har bygd om kjøling til front på bilen. Bak sitter en 2,2 liter DJ usa-versjon(lavkomp). Har i tillegg turbo. Tuna til forsiktige 140 HK. Radiator som er anvendt er en GOLF/SEAT radiator 60x30 cm bruttoformat. Har koblet dette slik: uttak ifra toppene i front av blokka via varmeapparatregister til ekspansjonstank. Varmeapparatet gir godt med varme. Videre kobla meg inn på uttak i bakkant på den ene toppen for å få litt kjølevann til turbo, som går videre gjennom oljekjøler, så til ekspansjonstank. Til og fra radiator er kobla til inn og ut ifra vannpumpe/termostat. Standard termostat(82 grader)Er det en logisk brist i dette opplegget, for dette gir ikke god nok kjøling, ref avlesning av tempmåler for vann. Har forholdt meg til vedl skisse for hvordan koble til radiator, men har lest i dette forumet at frontuttak på toppene skal gå til radiator?
1. Å kjøre kjølevann til oljekjøler gjennom turbo gir for liten gjennomstrømming?
2. Blir det noen sirkulasjon i ekspansjonstanken med et slikt opplegg, slik at hele toppene får grei kjøling? Eller bør disse kobles mot radiator? Hvortil skal retur gå?
3. Er original vannpumpe i stand til å sirkulere tilfredstillende gjennom radiator i front(skulle tru den var designet for dette ref bruken i originalbiler). Pumpe ifra gammel type WBX er benyttet, med innebygget termostat.
4. For liten radiator?
Dumme(?) spørsmål ifra en fersk selvbygger.
Tusen takk for gode råd.
